Обращаем внимание! Цена на импортную продукцию может быть не указана, из-за скачков курса валют.
Отгрузка в регионы: В течение 3 рабочих дней.
описание
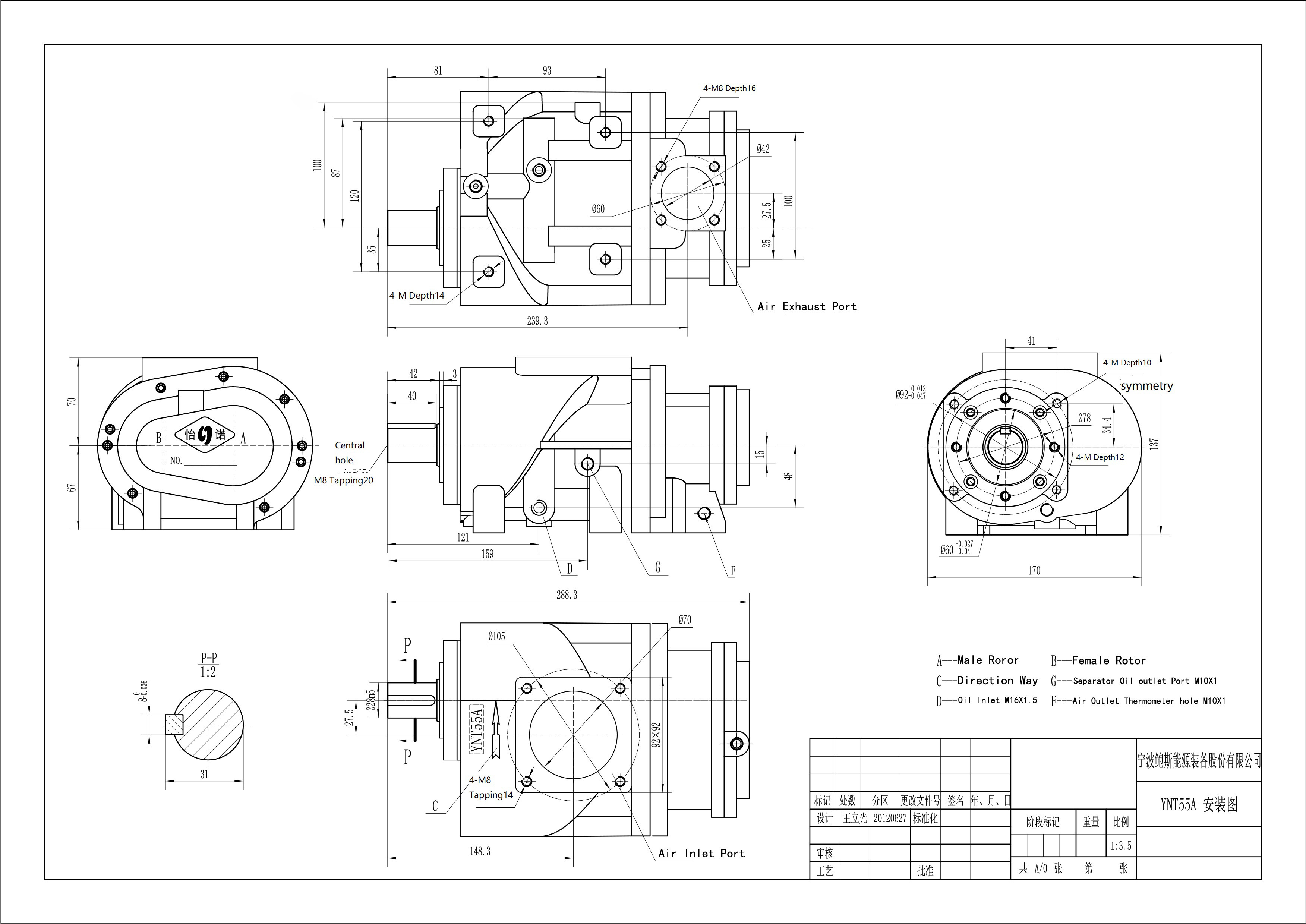
Винтовой блок BAOSI YNT55A — это маслозаполненный одноступенчатый винтовой блок, который является ключевым узлом во многих винтовых компрессорах. Он известен своей надежностью и широкой совместимостью.Данный винтовой блок подходит как аналог для следующих марок компрессоров:
Berg, Comaro, Comprag, CrossAir, Dali, ET, Ingro, Ironmac, Hansmann, Magnus, Mark, Remeza, Triumph, Бежецкий Завод АСО (включая модели АСО-ВК 11М2 и АСО-ВК 15М2)Характеристики:
- Мощность: 7,5 кВт
- Производительность: 480 - 2090 л/мин
- Рабочее давление: 7 - 15 Бар
- Тип: Маслозаполненный, одноступенчатый.
- Охлаждение: Воздушное
- Подшипники: SKF
- Вес: 17 кг
ООО "Дилекс" - поставщик BAOSI в России
как заказать
- Позвонить нам по бесплатному на территории РФ телефону +7 (831) 280-98-87, Пн. - Чт.: с 8 до 17, Пт.: с 8 до 16. Наши менеджеры проконсультируют и оформят заказ.
- Написать на почту sales@dileks.ru название и количество интересующего товара, либо описание требуемого оборудования и характеристик. Менеджеры проконсультируют, уточнят наличие и пришлют вам всю необходимую информацию.
- Воспользоваться формой обратной связи (чаты доступны по нажатию кнопки в правом нижнем углу), также можно в всплывающем окне заполнить номер телефона, и мы вам перезвоним и ответим на все ваши вопросы в течении 15 минут.
Для покупки товара в нашем интернет-магазине выберите понравившийся товар и добавьте его в корзину. Далее перейдите в Корзину и нажмите на «Оформить заказ» или «Быстрый заказ».
Когда оформляете быстрый заказ, напишите ФИО, телефон и e-mail. Вам перезвонит менеджер и уточнит условия заказа. По результатам разговора вам придет подтверждение оформления товара на почту или через СМС. Теперь останется только ждать доставки и радоваться новой покупке.
Оформление заказа в стандартном режиме выглядит следующим образом. Заполняете полностью форму по последовательным этапам: адрес, способ доставки, оплаты, данные о себе. Советуем в комментарии к заказу написать информацию, которая поможет курьеру вас найти. Нажмите кнопку «Оформить заказ».
- Оплата наличными или банковской картой в нашем офисе. Вы оплачиваете товар в момент самовывоза. Как правило, такой вариант выбирают покупатели небольшого оборудования, которое зачастую присутствует у нас на складе. Покупатель оплачивает товар у нас в офисе, получает товарный чек, и сразу забирает его со склада.
Посмотреть адрес офиса - Оплата в безналичной форме. Возможна как для юридических, так и для физических лиц. После согласования заказа, наш менеджер вышлет Вам на электронную почту счет для оплаты или банковскую квитанцию (для физических лиц). Полный пакет документов (оригинал счета на оплату, счет-фактура, накладная) будет передан Вам вместе с заказом при получении.
- Для всех товаров с наличием кнопки "Купить", доступна оплата с помощью банковской карты*.
Доставка осуществляется по будням с 8:00 до 17:00 часов. Готовность к отгрузке и сроки доставки зависят от времени размещения заказа и наличия товара на складе.
Основной склад нашей компании расположен по адресу: г. Нижний Новгород, ул. Героя Юрия Смирнова, дом 1А.
Дополнительный склад нашей компании расположен по адресу: Люберцы, ул. Мира, д. 8А, склад №7
Если вы из Нижегородской или Московской областей, любой товар можно получить по данному адресу самовывозом, только после согласования наличия у нашего менеджера.
